Exit
Think Pumps ~ Think SpringerPhone: 866-777-6060|| |Search
Menu

Unit of Measure

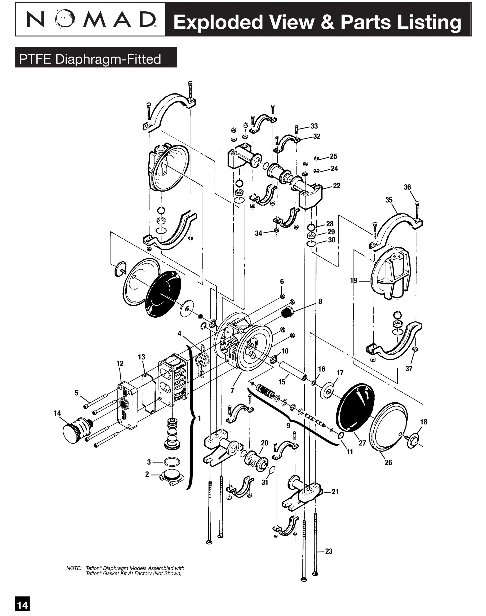
Model #

N/A NPF15/AAAA/TGN/TF/ATF/B/C/X

WETTED M.O.C.

N/A Aluminum

Diaphragm Material

N/A Garlock® - NEO BACKED

Elastomers

N/A PTFE, PTFE

Displacement per Cycle

N/A 0.027 gal0.10 lit

Solids Handling

N/A 0.0625 in2 mm

Fluid Inlet Size

N/A 0.5 in13 mm

Fluid Outlet Size

N/A 0.5 BSP in13 BSP mm

Length

N/A 11 Inch11 in0.2769 m276.86 mm

Width

N/A 8 Inch8 in0.2007 m200.66 mm

Height

N/A 11 Inch11 in276.86 mm

N/A

  • Drop in replacement for Wilden® AODD pumps of equivalent make and size
  • Air driven double diaphragm pumps handle large solids and slurries
  • PWR-FLO™ asymmetrical spool design (ASD) features an efficient air system
  • The anti-stalling design also provides excellent reliability in on/off liquid transfer for filling and batching applications
  • The air valve and center section is made of chemically resistant polypropylene.

Non-Wetted Material

N/A Aluminum

Check Valve Seat

N/A Aluminum

Max. Flow Rate

N/A 15 gpm56.78 lpm

Similar or Comparable To Brand

N/A Nomad®

Similar or Comparable To Part#

N/A 15-25465

Customs Code

N/A Schedule B Code 8413.50.00.50


Performance Curves

^